Produktaj Kategorioj
- Tubkonekto
- Cast Products
- UNION
- UNION M/F(CU MF)
- HEXAGON NUT (LN)
- WELDING NPPLE (WN)
- SOCKET PLAIN (SPU)
- COUPLING O.D.MACHINED (SPE)
- 90 ELBOW(90LB)
- 45 ELBOW(45LB)
- STREET ELBOW(SLB)
- CAP (CB)
- BARREL NIPPLE (BN)
- SOCKET BANDED(SB)
- UNION(CU)
- REDUCING SOCKET BANDED (RSB)
- REDUCING TEE (RTB)
- REDUCING HEXAGON NIPPLE(RHN)
- SQUARE PLUG (SQ)
- CROSS (十B)
- TEE(TB)
- HOSE NIPPLE (HON)
- HEXAGON NIPPLE(HN)
- HEXAGON PLUG (HP)
- HEXAGON HEAD CAP(HCB)
- HEXAGON BUSHING(HB)
- Forged Products
- SW Coupling
- ECCENTRIC SWAGED NIPPLE
- FEMALE AND MALE THREADED 90° ELBOW
- HRD OUTLETS
- THREADED CROSS
- THREADED TEE
- THREADED CAP
- THREADED 90° ELBOW
- THREADED 45° ELBOW
- HEX HEAD BUSHING
- HEX HEAD PLUG
- NIPOLETS
- SQUARE HEAD PLUG
- BW OUTLET
- PIPE NIPPLE(TOE)
- Half-Coupling
- SW Half-Coupling
- SW OUTLETS
- SW REDUCER INSERTS TYPE2
- SW REDUCER INSERTS TYPE1
- SW
- SW Tee
- SW CAP
- SW45° LATERAL
- SW90° Elbow
- SW45° Elbow
- BOSS
- CLASS 3000 UNIONS OF SW ENDS
- CLASS 3000 UNIONS OF THRD ENDS
- ROUND HEAD PLUG
- REDUCING HEXAGONAL NIPPLE
- FLUSH BUSHING
- CONCENTRIC SWAGED NIPPLE
- STRAIGHT HEXAGONAL NIPPLE
- PIPE NIPPLE(TBE)
- TSW Coupling
- Flanĝo
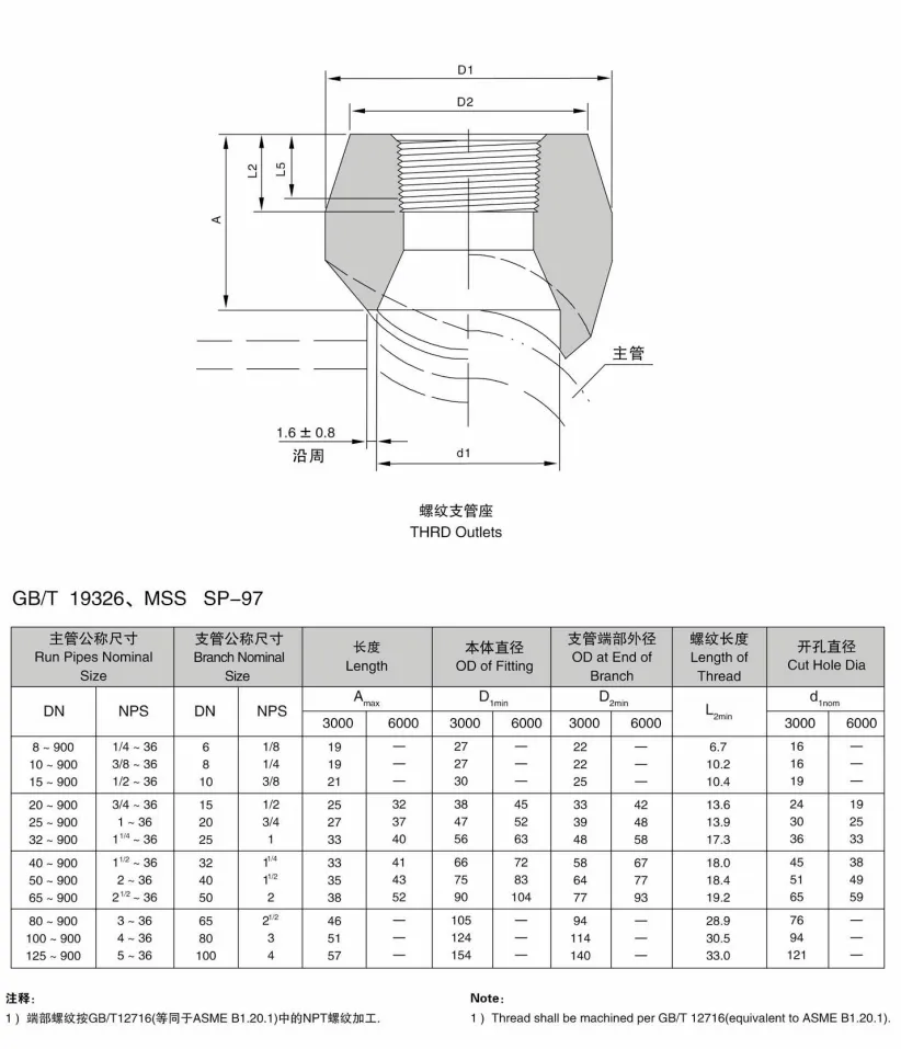
HRD OUTLETS
1
Product Details

Kontaktu nin
If you have any camping barbeque equipment inquiry, please feel free to
contact
us.

